EN
产品中心

产品分类

Product classification

智能运维系统

自动化系统

自动化仪表

AS-062恒流源加速度传感器(CCS)


AS-062恒流源供电加速度传感器

机械特性
重量约 130 克(不含电缆) 壳体材料
不锈钢 1.4301
保护等级符合 EN60 529
IP66/IP67

应用
该 AS-062 主要用于测量转动设备的振动加速度,如透平,泵,压缩机等。

测量原理
加速度传感器根据压电原理进行工作。在传感器内部,振荡的弹簧-质量阻尼系统由压电陶瓷盘和内部的振动质量块组成。当把振动引入该系统时,质量块将交变力施加在陶瓷盘上,在压电效应作用下,产生与加速度成正比的电荷。内置的电荷放大器将该电荷转换为可用的电压信号。

交货范围
标准5米或10米 (可选保护套管)
螺栓 M8X14
螺栓 M8 转 1/4” 28 UNF
连接电缆
两线制, 带屏蔽


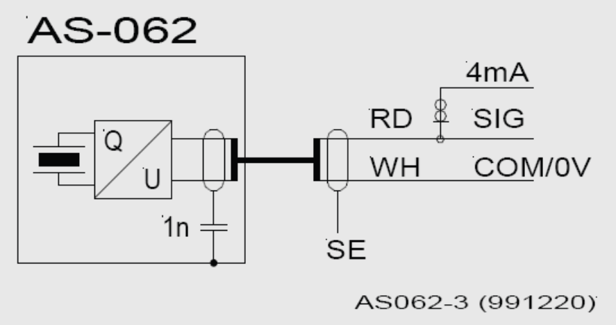
接线图


技术数据
灵敏度 (参照在 80Hz 和 23℃±3℃的测量值)
100 mV/g ±5%
10.2 mV/m/s2 ±5%
灵敏度精度:
4Hz…10KHz : ±5%
1.5Hz…13KHz : ±3dB
-50℃…+120℃ : ±5%
横向灵敏度
≤8…10%
谐振频率
﹥20 kHz
测量范围 ±80 g ( UB = -24V …-30V)
±40 g ( UB = -20V )
±20 g ( UB = -18V )
工作温度 -50℃ … +125℃
储存温度 -50℃ … +125℃
过载容量 连续 500g
冲击 5000g (任何方向)



其他加速度传感器

标准型(-24V)

AS-020     ASA-020(防爆)

AS-022     ASA-022(防爆)

AS-030  (不带电缆)    

恒流源(CCS)

AS-062     ASA-062(防爆)   AS-062/T

AS-063 

AS-065

AS-068 (10mV/g)

AS-069 (10mV/g)

AS-070-001

AS-070-002

AS-073

AS-079 (10mV/g)

AS-080/01







Copyright@ 2002 All Rights Reserved 版权所有:北京金安名正科技有限公司 京ICP备05042757号-1 京公网安备110106002704号

  • 北京
  • 网站建设
    | 联合易网